


Información disponible
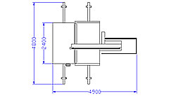
- Largo de plano = cm. 240
- Ancho de plano desde apoyo escuadra hasta cuchilla = cm. 130
- Ancho de plano desde cuchilla hasta plataforma externa = cm. 125
- Altura máxima del bloque = cm. 130
- Altura de escuadra = cm. 40 / 80
- Dispositivo mecánico por corte repetitivo de placas
- Grupo afilador de cuchilla inclusivo de motores por cortar en ambas direcciones
- Posibilidad de inclinación de màs de 45°
- Sistema automatico para llegar a “0” (cuchilla vertical)
- Alimentación de 380 Volt 50 Hz (si no esta mencionado diferentemente)
- Consumo de energía 4 KW approx.